Like Tree125понравилось

Крепление запаски Caddy

Страница 10 из 28 ПерваяПервая ... 8910111220 ... ПоследняяПоследняя
Показано с 91 по 100 из 274
  1. #91
    081
    Читатель
    Цитата Сообщение от sank74 Посмотреть сообщение
    Я еще умудрился болт сломать от колеса,когда переставлял колеса
    http://www.mactak.ru/store/prinadleg...tak-012-40210c


  2. #92
    sank74
    Старожил
    Хорошая вещь,возьму на заметку.Я по старинке ногой затягиваю!

  3. #93
    sank74
    Старожил
    103 - 105Нм этого по уши!!!это примерно какой вес,если ногой закручивать?

  4. #94
    081
    Читатель
    Цитата Сообщение от sank74 Посмотреть сообщение
    103 - 105Нм этого по уши!!!это примерно какой вес,если ногой закручивать?
    Это на самом деле мало...

  5. #95

  6. #96
    Ghost
    Старожил
    Всем напоминание - перед зимой смазать болты крепления запаски смазкой, чтобы из-за реагентов болты не закисли.
    Что я сегодня и сделал, применив отечественную смазку ШРБ

  7. #97
    sank74
    Старожил
    Я намазал графиткой,смачно

  8. #98
    UKSUS
    Участник
    Если прокручивается с гайкой левый болт,по ходу движения,то ищите СТО с ямой и электросваркой .Там отверствие овальное и свободно проходит электрод и можно сделать 1см прихватку,только осторожно с проводом у кого фаркоп и держите наготове чем тушить болт,если он в смазке.Дальше даете остыть ,брызгаете VDешкой и потихоньку выкручиваете болт ,снимаете запаску и обвариваете гайку по кругу.Дальше нужно подчистить, подкрасить,смазать и собрать.Все это недавно делал сам у себя в гараже на яме ,заняло полчаса ,ничего сложного,если есть опыт сварки ,если нет тогда СТО.

  9. #99
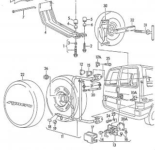
    Fhloston
    root

    Вопрос Что это?

    Как вам такой крепеж?

    Крепление запаски Caddy-131801600.jpg




    Закупаюсь железками на запаску.

    Не могу понять что под номером 8 и 11??
    (на фото ниже)

    Крепление запаски Caddy-.jpg
    Последний раз редактировалось Fhloston; 11.12.2012 в 22:00.

  10. #100
    pirogok
    Участник
    № 8 не нужно, если болт новий он уже в комплекте с етим хомутом. Себе для крепления запаски собрал: WHT 002 101 Болт с шестигранной головкой,
    WHT 002 108 Болт с шестигранной головкой, 701 801 949 Штанга поддерживающая, 2K0 801 903 Кронштейн подогн. с пом. инстр. автосер.

Похожие темы

  1. Установка запаски (Крепления, "лыжа")
    от Ваня Жуков в разделе Тюнинг
    Ответов: 74
    Последнее сообщение: 03.12.2020, 16:46

Ваши права

  • Вы не можете создавать новые темы
  • Вы не можете отвечать в темах
  • Вы не можете прикреплять вложения
  • Вы не можете редактировать свои сообщения
  •